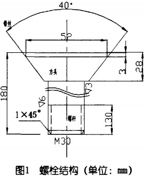
吉林石化公司動力二廠機爐二車間的2臺250/390型球磨機,是鍋爐制粉系統的主要大型設備。原煤經給煤機進入球磨機簡體內,球磨機以22r/min的速度旋轉,原煤和鋼球在帶有波浪型襯板的作用下隨之轉動,因轉速低,當與水平面成一角度時,因自重作用下滑,煤、鋼球、襯板波浪面之間相互磨擦碰撞,煤被粉碎,由球磨機出入口形成的風壓差將煤粉送入粗粉分離器等其它制粉系統中。球磨機本體由厚18mm Q235鋼板焊成Ø2500mm×3900mm筒形,由螺栓與兩側帶有空心軸的端蓋固定,并與前后軸瓦定位,端蓋一側裝有大齒輪與小齒輪嚙合,通過減速機與電機連接組成傳動裝置,襯板由厚6~15mm石棉板與簡體隔離,以達到減振保溫的效果,襯板由固定楔鐵和調整楔鐵專用螺栓固定在簡體內圓周上。兩端蓋內側扇型襯板與同等厚的石棉板與端蓋隔離,并用專用螺栓與端蓋固定,使簡體內組成工作面。簡體襯板螺栓為特制專用螺栓,螺栓一端為52mm×52mm平面方頭,方頭高28mm,四邊為斜面,通過中心線的夾角40°,螺栓另一端為M30×130mm的螺桿,總長180mm(見圖1)。裝配順序為:以筒體為基礎,內置石棉板、楔鐵、螺栓穿入楔鐵錐孔及簡體螺孔內,穿入簡體外螺桿纏繞石棉繩,并放置墊片,由M30螺帽預緊,試運行后把緊,并用同樣螺帽鎖緊,簡體外部由防護罩、保溫材料組成保溫層,由M12×60的螺栓連接置于簡體外圓周。
1球磨機運行中螺栓發生異常

球磨機在運行中,由于各種因素首先造成襯板螺栓損壞,以1#~4#球磨機為例,多次發生螺栓損壞現象: (1)螺桿與錐面方頭結合處斷裂(見圖2)。斷面特征為:銀灰色細晶粒面,螺桿端面呈表面圓滑外凸狀。分析:在運行中,螺栓在螺帽緊力作用下,錐面與錐孔配合,螺桿通過錐面產生一個拉力,襯板在工作中受鋼球沖擊力產生變形,致使楔鐵位移,螺栓方頭隨之位移,螺桿通過螺孔與筒體固定,使螺栓方頭與螺桿接合處產生彎曲,螺栓的結構使螺桿與錐面結合為直角,螺栓的抗拉強度和彎曲應力指標在沖擊振動等特殊條件下會達到極限,產生應力集中,使直角線處產生裂紋直至斷裂。(2)螺帽與墊圈結合面處的螺桿發生斷裂(見圖3)。斷面特征為:斷裂處與螺帽端面平齊,斷口約1/3處可見斷裂痕跡線,a處呈灰色,b處為銀灰色細晶粒面且均勻。分析:緊固后的螺栓、螺帽端面與螺桿成直角,在直角處由于螺紋的存在及交變載荷昀作用,應力集中,強度減弱,在此處螺紋內產生裂紋,襯板在長期受鋼球的磨損下變形,直至局部損壞,碎小的鋼球進入損壞部位,并充滿于襯板與簡體間的空隙,不斷的擠壓加速了襯板對楔鐵的作用力,使楔鐵兩斜面產生滑動。錐孔和方頭斜面貼合的螺栓產生一個剪切應力,使裂紋處的強度小于剪應力強度,加速了此處的斷裂。(3)螺栓松動形成磨損。在安裝和使用過程中,方頭斜面與楔鐵錐孔配合得不好,有凸起物形成間隙,受鋼球沖擊,凸起物逐漸消失,當螺栓與簡體轉動到無沖擊時,造成螺栓松動。同時,各部襯板之間接觸不良,運行中除鋼球作用外,襯板之間在重力下相互磨合,間隙增大,減少了對楔鐵的作用力,使螺栓最終因緊力不足而造成松動。螺栓松動,易使楔鐵、襯板脫落造成損壞,發生不制粉、漏粉等嚴重后果。上述原因,造成14~44球磨機每月需停車數次更換損壞的螺栓,影響制粉系統的正常運行,同時還增大了工人的勞動強度。
為保證螺栓的正常使用周期,使螺栓的工作性能滿足工作條件,必須尋求螺栓的各項最佳技術指標,為此進行了如下改進。

三門峽富通新能源不但銷售球磨機還銷售雷蒙磨、雷蒙磨粉機、雷蒙磨配件等。
2襯板螺栓材質的選擇
固定球磨機襯板、楔鐵的專用螺栓在運行中,受到拉應力、彎曲剪應力、交變載荷等作用而損壞。因此螺栓質量高低是關鍵。以往該車間在檢修球磨機時,對螺栓材質進行過多次改進,先后使用過Q235、20#、35#、454、20CrMo、35CrMo等材質,因含碳量不同,抗拉強度6。、屈服強度6。、延伸率6、收縮率Il,、沖擊值Qk、硬度值HB均不同,損壞程度各異,但含碳量>0.35%或<0.20%的損壞較重。從碳素結構鋼的機械性能看,此螺栓應主要選取6b、a,HB三項為綜合指標,在10#~50#鋼之間,隨著含碳量的增加,6b、HB值在增加,而Ok值在減少。滿足螺栓指標中25 8鋼較為理想,即6。2451 N/mmz、Q r>88 J/mm2、HB<170。若在碳素結構鋼的基礎上加入Cr、Mo等合金元素,組成合金結構鋼,可使6bak、HB值得到改
善。以12CrMo—42CrMo合金鋼為例,合金含量一定時,與同等碳素結構鋼比,隨著含碳量的增加,6b、ak值、HB值相應增加。在綜合指標中,20CrMo鋼較為理想,即6 b=882 N/mm2,a r2109J/mmz,HB<197。將254鋼與20CrMo鋼綜合指標進行比較可知,20CrMo鋼優于254鋼。表1為該車間球磨機試運轉至今所用幾種不同材質螺栓的各項指標。
由表1可知,20#~45#鋼隨著含碳量的增加,6b、6。、HB值增加,6、V、a。值減少,加入Cr、Mo合金元素后,6b、6。、HB值明顯增加,而6、Ⅲ、a。值相應增加,合金鋼螺栓強度明顯大于碳素結構鋼螺栓強度,然而20CrMo鋼的價格遠高于208鋼和35#鋼。實際應用中,由于20CrMo和35CrMo鋼螺栓損壞率遠小于碳素結構鋼螺栓,
延長了螺檢使用周期,減少了檢修次數,增加了球磨機運轉效率,綜合效益可提高。
3襯板螺栓結構的改進
根據球磨機簡體襯板螺栓損壞原因及受力分析,為降低螺栓損壞,提高使用率,在加工中,螺桿與錐面方頭接合處應圓弧過渡相切(見圖4)。因為在運行中,由于振動沖擊力、拉應力等造成應力集中部位,可通過圓弧使應力分散,不易產生裂紋。

由表1可知,20#—45#鋼隨著含碳量的增加,6b、6.、HB值增加,6、ll,、a k值減少,加入Cr、Mo合金元素后,6 b、6。、HB值明顯增加,而6、Ⅲ、Qk值相應增加,合金鋼螺栓強度明顯大于碳素結構鋼螺栓強度,然而20CrMo鋼的價格遠高于204鋼和354鋼。實際應用中,由于20CrMo和35CrMo鋼螺栓損壞率遠小于碳素結構鋼螺栓,延長了螺栓使用周期,減少了檢修次數,增加了球磨機運轉效率,綜合效益可提高。
根據球磨機簡體襯板螺栓損壞原因及受力分析,為降低螺栓損壞,提高使用率,在加工中,螺桿與錐面方頭接合處應圓弧過渡相切(見圖4)。因為在運行中,由于振動沖擊力、拉應力等造成應力集中部位,可通過圓弧使應力分散,不易產生裂紋。

在楔鐵錐孔內斜邊與四方孔的直邊相交處應去掉棱邊,制成內圓弧過渡相切并與螺栓方頭與螺桿相同(見圖5)。在楔鐵強度不受影響時,尺寸應盡可能大些,為10~20mm,有利于增強螺栓的強度。在保證螺栓的螺紋有效長度L加工量L+10mm時,其余為鍛造或鑄造成型,這樣可使螺栓內部金相組織結構與螺栓應力方向重合,晶粒排列的組織與螺栓輪廓相吻合,提高螺栓的抗拉強度及使用效果。
4襯板螺栓的安裝

250/390型球磨機襯板螺栓起著襯板通過楔鐵與簡體間的連接固定作用。為增強可靠性,消除其它因素的影響,安裝時應注意:楔鐵錐孔與簡體螺栓孔應對中,在螺栓穿入簡體后方頭與錐孔緊密配合,螺桿徑向與簡體螺孔應有Imm間隙,以防止產生剪應力;襯板之間、襯板與楔鐵之間的配合面要光滑,裝配后無竄動;襯板對楔鐵作用力要兩側均等,楔鐵裝配高度應平齊,以防止襯板位移,螺栓產生彎曲;螺帽墊片應由普通平墊制成如圖6形狀,以使石棉繩在此洼窩內更好地密封螺栓與簡體的徑向間隙,防止煤粉外漏;當球磨機運行1周后,應對襯板螺栓進行全面檢查,并保持緊力一致。

5結論
球磨機屬大型轉動設備,易出現的故障多數為螺栓損壞,因此在球磨機正常運行中,要注意觀察運行情況,發現螺栓損壞要及時處理,以免襯板由此脫落,造成檢修增加甚至停車而影響生產。應加強巡回檢查,時刻了解和掌握設備狀況,及時解決不合理的結構,以提高球磨機的工作效率。