0、引言
中國作為農業大國,具有豐富的可再生能源和新能源資源,僅農作物秸稈每年產量達9億多噸,這些資源不僅沒有得到有效利用,在有些地方甚至成為負擔,“節能減排”、新能源和可再生能源開發利用是當今國際上的一大熱點。新華社曾經呼吁:《給科學家出道難題一幫助農民找到處理秸稈的辦法》,如何開發利用秸稈問題,是當代農業發展的重大課題之一。
生物質能是可再生能源十分重要的組成部份,資源十分豐富,是取之不竭的可持續利用的能源,它的合理、高效開發利用,對解決人類的能源危機和改善人們生存環境起著十分積極作用。生物質燃料發展很快,在西歐及日本等國已成為一種產業,一些國家還在這方面開展了國際合作。我國“中國新能源和可再生能源發展綱要(1996~2010年)”中提出要將”發展高效的直接燃燒技術、致密固化成型技術、氣化液化技術”作為今后工作的一個主要方面來抓。堅持自主開發與引進消化吸收相結合的技術路線,積極開展對外交流與合作。稻草秸稈自身密度小,很不利于運輸和儲存,影響其深加工或二次開發利用。稻草秸稈壓制后,具有很高的壓縮比,極大地方便了生物質資源的運輸和儲存,同時改善了生物質燃料的燃燒性能,提高了生物質資源的利用效率,在國家調整農村能源結構中,推廣和應用秸稈壓縮顆粒機,有著巨大的社會效應、經濟效益和廣闊的發展前景。
本文基于生物質壓縮成型技術,對稻草秸稈成型機理及成型參數進行了實驗研究,設計了一種平模制粒壓縮機,
顆粒機壓輥擠壓平模上已粉碎的稻草秸稈,從模孑L擠出的相對高密度稻草棒粒燃料,是一種可以替代原煤的新型環保燃料口]。該機械能有效地降低能耗、減少磨損,有著較高的生產率。
1 生物質壓縮燃料成型原理及工藝
生物質壓縮燃料,是以稻草秸稈、木屑、樹皮等農林剩余物為原料,在高壓加熱條件下,壓縮成顆粒狀、棒狀、塊狀等質地堅實的成型物,可作為工業鍋爐、民用爐灶、家庭取暖爐以及農業暖房的燃料。
雖然不同的植物其組成成分不同,但纖維素、半纖維素和木素是植物體的主要成分,一般占植物體成分的2/3以上。木素屬非晶體,在常溫下木素主要部分不溶于任何有機溶劑,沒有熔點但有軟化點。當溫度達70~110℃左右時,軟化粘合力開始增加;在200~300℃時,軟化程度加劇而達到液化,此時加以一定壓力,可使其與纖維素緊密粘接,同時與鄰近的秸稈顆;ハ嘟唤,稻草秸稈植物細胞中含有纖維素、半纖維素和木質素(或稱木素),自然密度小,通常為0. 03~0.05。當達到一定的溫度并加以適當壓力,可不用任何粘接劑,經過一定形狀的成型孔眼,形成具有固定形狀的壓縮成型棒粒燃料。
影響生物質壓縮成型的主要因素有:原料種類、含水率、粒度、成型壓力和壓縮成型模具的形狀尺寸及加熱溫度等。
通過調查,稻草秸稈壓縮成型質量,關鍵因素是秸稈熱成型工藝及成型設備。粗加工處理后的原材料,在高溫狀態、不添加任何黏合劑的情況下,通過機械擠壓,使其由松散態變成密縮態,變成具有一定的形狀、強度和密度的成型棒粒料。稻草秸稈成型工藝流程如圖1。

2稻草秸稈壓縮機械
生物質熱壓成型技術發展到今天,市場上有著多種不同成型方式的制造設備,這些設備各有優點,但普遍存在著能耗較高,生產率較低的缺點。目前世界各地研制生產的成型燃料主要有兩類。一類是壓縮塊(Briquette),另一類是壓縮粒,根據成型原理的不同,壓縮成型機可分為以下三種類型:
(1)活塞壓塊機(Piston press),其產品是壓縮塊,如圖2所示。

(2)螺旋壓塊機(Extruder pres),螺旋壓塊機又可分為不加熱(如圖3)和加熱(如圖4)兩種。圖4生物質中的木炭素受熱塑化后具有粘性,使生物質原料熱壓成型。


(3)模壓造粒機(Matrix pellet pre)其產品是壓縮粒,一種是平板模造粒機( Disk matrix peetpress),如圖5。平板模上有4~6個滾子隨滾子軸作圓周運動。原料在滾子與模板間受擠壓,多數原料被擠入模板孔中。切割刀將模板孔中擠出的壓縮條,按需要長度切割成粒,另一種是環板模造粒機( Ringmatrix pellet press),如圖6。其結構較簡單,工作時模板與滾子的磨損較少,故能耗量也較低。通過調研比較,本設計選用平板模顆粒機。

2.1 平板壓模的設計
顆粒機械的設計主要有壓模、壓輥和轂套的設計和驅動電機的選擇等幾個部分。平板壓模是稻草秸稈壓縮成型的核心部分。它的性能直接影響秸稈能否壓縮成型,成型的密度能否達到要求,影響到產品質量的好壞和生產成本的高低。平模壓模示意圖如圖7。

2.1.1 平板壓模的材料選擇
根據物料的腐蝕性和平模工作壓強選擇材料,平模的材料一般是碳鋼、合金結構鋼或不銹鋼,對腐蝕性強的物料、?仔〉钠侥R话氵x用不銹鋼,加工稻草秸稈選用碳鋼材料。
2.1.2平板壓模的?捉Y構和尺寸參數的確定
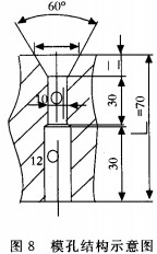
稻草秸稈原料在成型過程中,成型機結構、?捉Y構以及成型工藝是相關的。根據稻草秸稈壓縮成型原理和成型顆粒大小要求,確定模孔結構和尺寸如圖8所示。模孑L具有不同的進口直徑,中央直徑和出口直徑,入口直徑D和中央直徑d的平方比,主要決定成型壓力;入口角度a和L/D,因不同生物質原料而不同,進行試驗時考慮人口角度a=30°或為60°;中央直徑Ø=6 mm或Ø=10 mm;模板厚度L=60 mm或1=70 mm。考慮減少摩擦和提高生產效率,確定?捉Y構和尺寸如圖8所示。

試驗表明:成型機結構和模孔結構是影響原料成型的主要因素。成型工藝確定后,通過試驗,來測定成型壓力、溫度、原料粒度和含水率的關系。
2.2壓輥和轂套的設計
經過錘片式粉碎機粉碎過的稻草秸稈從進料斗進入成型機,安裝在主軸上的撥盤隨主動軸的轉動,將稻草秸稈均散在平板壓模上,通過轂套帶動壓輥的不斷旋轉,對壓模產生壓擠,將稻草桔稈擠壓成型,壓輥的材料一般選用碳鋼(或合金結構鋼)。壓輥設計成圓柱型的滾子,圓柱的中心鏜空,用于和轂套的安裝。。轂套的伸出軸與轂套主體部分采用焊接結構,轂套有兩個方面的作用:
(1)傳動作用。通過鍵傳動,帶動安裝在它上面的壓輥轉動;
(2)調整作用,通過調整其上方和下方的對頂螺母來控制壓輥對壓模的壓力和相對距離,即壓入模孔中稻草秸稈量的多少。
2.3 電動機的選擇
電動機的選擇包括容量的選擇、電機種類的選擇、電壓的選擇、轉速和結構型式等的選擇,經過估算比較,選擇YCT225 - 4B型電磁調速異步電動機,參數選擇過程(略)。
2.4顆粒機結構設計
顆粒機是生產成型燃料的關鍵設備,它的性能優劣直接影響到產品質量的好壞和生產成本的高低,顆粒機械的設計主要有壓模的設計、壓輥和轂套的設計和驅動電機的選擇等幾個部分,機械結構示意圖如圖9所示。

3 制粒試驗及結論
(1)顆粒機使用調試:正確控制壓輥與壓模間隙,制粒過程中,壓模與壓輥的間隙極為重要,間隙過大,易造成物料在模輥間打滑,產量低,有時還會不出粒;間隙過小,模輥機械磨損嚴重,影響使用壽命。合適的模輥間隙應為0. 05~0.3 mm,即壓模與壓輥剛好接觸,壓輥與壓模整好后,開車空轉,檢查主軸是否有軸向竄動,如果有軸向竄動,應調整主軸的軸向位置,直到無竄動為止。此外,壓輥要轉動靈活,止退墊圈要鎖好,并要加足黃油,避免軸承溫升過快缺油損壞。
(2)稻草秸稈壓縮成型參數:顆粒壓制成型過程中,壓強達到50~100 MPa,稻草含水率在10%~15%時就可以成粒。對已干稻草可在加工前8h左右調整含水量。
(3)模孔光整、堵塞處理。新壓模有很多原因會造成?锥氯撇怀鰤嚎s顆粒。新壓模出廠前進行光整加工,要達到最高產量還需用物料磨光。堵模浸入油內清理等,
傳統制粒技術,制粒成本高,平模壓縮顆粒機關鍵和創新點在?自O計,通過試驗”稻草秸稈壓縮燃料顆粒機”機器磨損大大減小,能耗降低,總成本降低很多。