在制絲生產線的松散回潮、篩分加料、切絲等工序設置有多處篩分裝置,其目的是為了減少煙葉造碎和筒壁粘附,提高加工質量。但是在生產過程中發現,隨著生產時間的延續,振動篩分機的篩分效率降低很快,原因在于隨著生產的進行,篩孔會不斷地被堵塞,造成篩分效率下降。為此,對原振動篩分機進行了改進,較好地解決了這個問題。
1、材料與方法
1.1材料與儀器設備
(1)同一牌號配方片煙,每批投料量8000 kg。
(2)1200/5575搖臂式雙層振篩(秦皇島煙草機械有限責任公司),平板網面,圓形網孔,上層孔徑為6 mm,下層振篩孔徑為2 mm,振動頻率為480次/min,振幅為11 mrn。篩網長2.4 m,寬0.8 m;GFIW6. 0/2.O(平紋)葉片振動分選篩(鄭州煙草研究院)。
1.2方法
(1)分別從篩分機進料口和出料口處隨機取樣各1 kg,取樣間隔時間為10 min,各取樣5次。
(2)將篩分前的樣品用葉片振動分選篩進行篩分,篩分時間為l min。取出從葉片振動分選機篩網以下各層篩出的2~6 mm碎片,進行稱重。
(3)用上述方法將篩分后的樣品在葉片振動分選機上進行篩分、稱重。
(4)篩分效率按下式計算:
Q(%)=(W
1-W
2)/W
1×100%
式中:Q為篩分效率;W1為篩分前樣品中碎片量(kg);W2為篩分后樣品中碎片量( kg)。
2、測試結果與分析
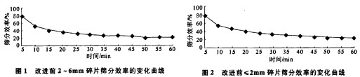
圖1和圖2為改進前的碎片篩分效率變化曲線圖。由圖1和圖2可以看出,隨著生產時間的增加,振篩篩分效率迅速降低,下降到23%左右時基本穩定。分析造成篩分效率降低的原因是由于振動篩分機篩網槽體較長,一些碎煙片在槽體內未能及時透過篩孔落下,也沒有及時隨物料離開槽體,而是在槽體內篩網面上形成堆積,使篩孔堵塞,造成篩分效率下降。針對這個問題國內其它企業也采取過不少措施,如改裝篩面,使其便于拆卸清理;或在過料時突然改變振動頻率;或安裝帶有棘爪的裝置以實現自動清理篩面等,但是效果都不甚理想。為此,我們嘗試采用壓縮空氣脈沖式噴吹的方法進行改進。

3、改進效果
圖3為改進后的振篩裝置示意圖。如圖3所示,在1所示的振動篩分機后部雙層振篩夾層的橫頭位置安裝4個脈沖式壓縮空氣噴射裝置,噴嘴水平指向物料流向,用軟管與生產車間的氣源連接,以一定的頻率和壓力噴射壓縮空氣,使夾層內產生的瞬時壓力能夠將振篩上堆積的碎煙片吹開,避免了篩孔堵塞造成篩分效率的下降。經實際生產驗證,選擇適當的壓縮空氣噴吹壓力和頻率,此裝置可有效避免振動篩分機篩孑L堵塞現象,篩分效率不會因篩孔堵塞而大幅下降,從而顯著提高振動篩分機的篩分效率。改進后的效果對比見圖4、圖5和表1、表2。

由圖4和圖5可以看出,改進后振篩篩分效率的下降幅度較慢,且稍有下降后即趨于平穩。由表1可以看出,改進后篩分效率明顯提高,提高幅度近30%。由表2可以看出。改進后葉絲整絲率提高,碎絲率有所下降,說明振篩的篩分效率有了較大提高。
4、結語
(1)與改進前相比,改進后振動篩分機的篩分效率提高了近30%,不僅整絲率有所提高,碎絲率下降,而且避免了因批間清理不及時所造成的不同產品間碎煙片的混雜以及因碎片在振槽體內長期堆積而導致的霉變和滋生煙蟲問題,同時還避免了設備的頻繁拆卸、清掃,降低了勞動強度,提高了工作效率。
(2)該設計具有不改變原設備結構、安裝簡單和篩分效果顯著等特點。